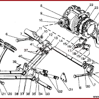
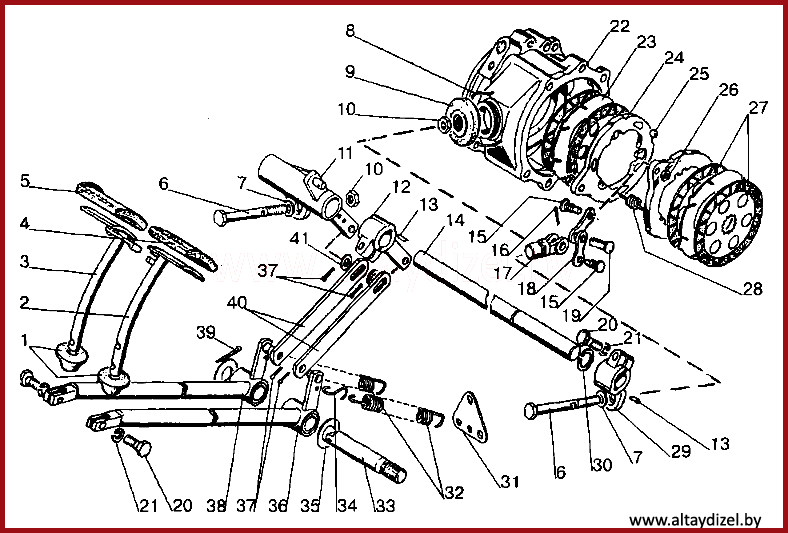
№ поз. | № по каталогу | Наименование |
220-3502030 | Диск нажимной (15-16, 24-26, 28) | |
320-3503010 | Управление тормозами | |
1 | 80-3503158-А | Уплотнитель |
2 | 220-3503060 | Педаль левая |
3 | 220-3503050 | Педаль правая |
4 | А13.33.081 | Чехол |
5 | А13.33.082 | Чехол |
6 | 220-3503016 | Болт |
7 | 70-3503018 | Шайба |
8 | 2,0-O-S, 540 мм | Проволока |
9 | 50-3003019-А | Чехол |
10 | M12x1,25 | Гайка |
11 | 220-3503170 | Рычаг |
220-3503170-01* | Рычаг* | |
12 | 220-3503075 | Рычаг |
13 | 6x10 | Шпонка |
14 | 220-3503111 | Валик |
15 | 220-3502034 | Палец |
16 | 4x25 | Штифт |
17 | 220-3502036 | Вилка |
18 | 220-3502033 | Тяга |
19 | 12x32 | Ось |
20 | М12x35 | Болт |
21 | SHP 12 | Шайба |
22 | 320-3502011 | Корпус тормоза левый |
320-3502011-01 | Корпус тормоза правый | |
23 | 220-3502014 | Диск промежуточный |
24 | 220-3502031 | Диск нажимной |
25 | 15,081-100 | Шарик |
26 | М8 | Гайка |
27 | 320-3502040 | Диск ведущий |
28 | 220-3502032 | Пружина |
29 | 220-3503080 | Рычаг |
30 | 2В25 | Кольцо |
31 | 220-3503014 | Пластина |
32 | 50-1605152 | Пружина |
33 | 220-3503013 | Ось |
34 | 70-3514094 | Крючок |
35 | 50-3503071 | Шайба |
36 | 220-3503030-01 | Рычаг левый |
37 | 4x22 | Шплинт |
38 | 220-3503040 | Рычаг правый |
39 | 5x36 | Шплинт |
40 | 220-3503112 | Пластина |
41 | SHCH12 | Шайба |
*Вариант







