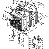
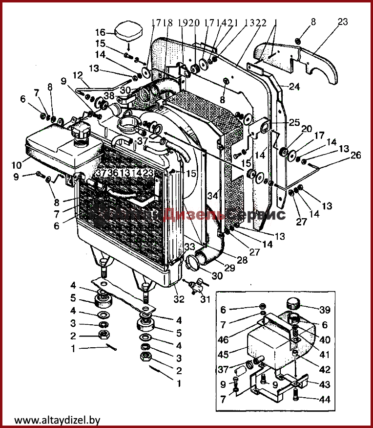
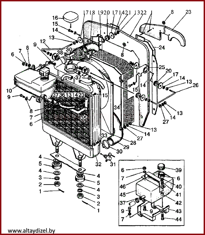
№ поз. | № по каталогу | Наименование |
1 | 3,2x2,5 | Шплинт |
2 | M12 | Гайка |
3 | ШП12 | Шайба |
4 | ШЧ12 | Шайба |
5 | 80-1302018 | Амортизатор |
6 | М6 | Гайка |
7 | ШП6 | Шайба |
8 | ШЧ6 | Шайба |
9 | M6x20 | Болт |
10 | 146.00.00 | Бачок расширительный |
11 | 146.30.00 | Пробка |
12 | 320-1302014 | Тяга |
13 | M8 | Гайка |
14 | ШП8 | Шайба |
15 | M8x16 | Болт |
16 | A21.01.270 | Пробка |
17 | 85-1302073 | Шайба |
18 | 320-1303001 | Шланг |
19 | 320-1302011 | Кронштейн |
20 | 85-1302071 | Амортизатор |
21 | 320-130355-01 | Кронштейн |
22 | 320-1303057 | Экран |
23 | 320-1109306 | Кронштейн |
24 | 320-1303055 | Кронштейн |
25 | 320-1302012 | Кронштейн |
26 | 320-1302013 | Тяга |
27 | ШЧ8 | Шайба |
28 | 320-1309170 | Кожух |
29 | 320-1303002 | Шланг |
30 | 32-50 | Хомут "Norma" |
31 | PS7 | Кран |
32 | 320-1301010 | Радиатор водяной |
33 | M8x35 | Болт |
34 | 320-1309100 | Кожух защитный |
35 | 320-1311300 | Кронштейн |
36 | 320-1311012 | Шланг |
37 | 12-20 | Хомут "Norma" |
38 | 320-1309105 | Кожух защитный |
39* | 80П-1311011 | Пробка |
40* | 80-1311006 | Тарелка |
41* | 54.06.413 | Пружина |
42* | 80-13110003 | Втулка |
43* | 320-1311015 | Кронштейн |
44* | M6x40 | Болт |
45* | 320-1311010 | Бачок расширительный |
46* | 320-1311016 | Кронштейн |
47* | 104.9730.198 | Болт |
* Вариант установки расширительного бака







