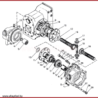
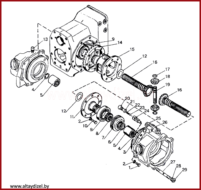
№ поз. | № по каталогу | Наименование |
320-2403010 | Дифференциал (2, 10-12, 14-19) | |
1 | М 10x30 | Болт |
2 | SHP 10 | Шайба |
3 | 165-170-36-2-4 | Кольцо |
4 | 1A30 | Кольцо |
5 | 320-2403018 | Втулка |
6 | V35 | Кольцо |
7 | 320-2409011 | Муфта включения |
8 | 320-2409012 | Ступица |
9 | 7510 | Подшипник |
10 | 52-2203012 | Болт |
11 | 320-2403012 | Крышка |
12 | 320-2403017,-01, -02,- 03** | Шайба опорная |
13 | SU-1/8"-A | Сапун |
14 | 320-2402060* | Колесо зубчатое |
15 | 320-2403011 | Корпус |
16 | 320-2403013 | Шестерня полуосевая |
17 | 2B 16 | Кольцо |
18 | 320-2403014 | Сателлит |
19 | 320-2403016 | Ось |
20 | 220-2409016 | Стакан |
21 | D18-055-A | Кольцо уплотнительное |
22 | 05-1701375-A | Пружина |
23 | 7,938-100 | Шарик |
24 | 220-2409017 | Валик |
25 | 220-2401013** | Прокладка |
26 | 220-2401013-01** | Прокладка |
27 | 220-2407052 | Шпилька |
28 | SHP 12 | Шайба |
29 | M12 | Гайка |
* В запасные части поставляются только в сборе с 320-2402017
**Подбирается при регулировке







