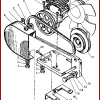
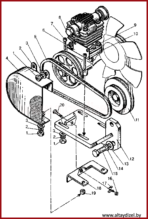
№ поз. | № по каталогу | Наименование |
1 | M8 | Гайка |
2 | SHP8 | Шайба |
3 | V8,4 | Шайба |
4 | 0100-414 | Кожух |
5 | 0100-432 | Ремень |
6 | 0100-419 | Кронштейн |
7 | M8x40 | Болт |
8 | 601.23.934 | Компрессор |
9 | M8X14 | Болт |
10 | M8x60 | Болт |
11 | 0100-433 | Шкив |
12 | 0100-427 | Кронштейн |
13 | V17 | Шайба |
14 | SHP 16 | Шайба |
15 | М 16x1,5x40 | Болт |
16 | M10 | Гайка |
17 | 80-3401013 | Шайба |
18 | 320-3509012 | Кронштейн |
19 | 0100-420 | Втулка |
20 | М 10x45 | Болт |







