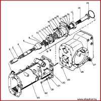
№ поз. | № по каталогу | Наименование |
320-2402020-А | Стакан (6-15, 18, 21-24) | |
220-2402030 | Вал (2-6) | |
1 | 82-2301074 | Пробка |
2 | 220-2402018 | Втулка |
3 | 8x20 | Штифт |
4 | 220-2402037 | Вал |
5 | 220-2402036 | Муфта |
6 | 2B 25 | Кольцо |
7 | 320-2402028 | Гайка |
8 | M6x20 | Болт |
9 | SHP6 | Шайба |
10 | 320-2402026-A | Фланец |
11 | 2.2-35x58-1 | Манжета |
12 | 220-2402022-Б | Крышка |
13 | 220-2402023 | Прокладка |
14 | 320-2402029 | Кольцо маслосгонное |
15 | 7606AU | Подшипник |
16 | М10хЗО | Болт |
17 | SHP 10 | Шайба |
18 | 320-2402021 | Стакан |
19 | 220-2402013 | Прокладка |
20 | 220-2402013-01 | Прокладка |
21 | 320-2402027 | Прокладка |
22 | 320-2402027-01 | Прокладка |
23 | 320-2402027-02 | Прокладка |
24 | 320-2402024 | Втулка |
25 | 320-2402017* | Вал-шестерня |
26 | 085-090-30-1-4 | Кольцо |
27 | KG 3/4" | Пробка |
28 | 220-2401011 | Корпус |
29 | 10x25 | Штифт |
30 | SHP 12 | Шайба |
31 | М12x35 | Болт |
32 | М12x65 | Болт |
33 | 220-2401015 | Корпус |
*В запасные части поставляются только в сборе 320-2402060







